This website requires JavaScript.
Explore
Help
Register
Sign In
Alex-2-Graf
/
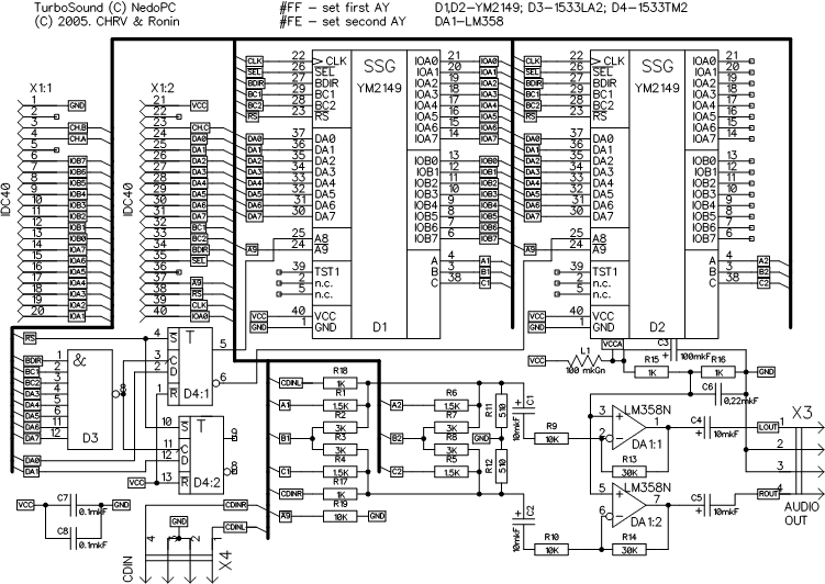
Leningrad-2-128k-SRAM
Watch
1
Star
0
Fork
0
You've already forked Leningrad-2-128k-SRAM
mirror of
https://github.com/Alex-2-Graf/Leningrad-2-128k-SRAM.git
synced
2026-04-16 12:04:19 +03:00
Code
Issues
Actions
Packages
Projects
Releases
Wiki
Activity
bb1806fe85
Leningrad-2-128k-SRAM
/
Sources
/
ts_c_sch.png
Alex-2-Graf
985ba95354
sours
2026-03-14 23:01:22 +01:00
43 KiB
751x532px
Raw
History