This website requires JavaScript.
Explore
Help
Register
Sign In
RomanRom2
/
GeneralSound
Watch
1
Star
2
Fork
1
You've already forked GeneralSound
Code
Issues
Pull Requests
Actions
Packages
Projects
Releases
Wiki
Activity
cb68773db8
GeneralSound
/
docs
/
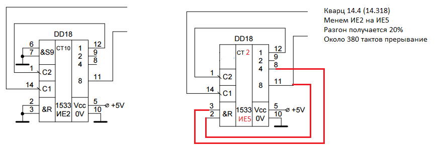
Разгон 14.4 мгц
/
Схема.png
Roman Krupnin
b816de49a7
init repo
2025-02-15 18:26:49 +03:00
33 KiB
891x301px
Raw
History