This website requires JavaScript.
Explore
Help
Register
Sign In
crackintosh
/
GeneralSound
Watch
1
Star
0
Fork
0
You've already forked GeneralSound
forked from
RomanRom2/GeneralSound
Code
Pull Requests
Activity
d0312a7f46
GeneralSound
/
docs
/
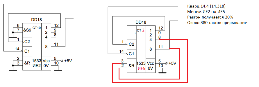
Разгон 14.4 мгц
/
Схема.png
Roman Krupnin
b816de49a7
init repo
2025-02-15 18:26:49 +03:00
33 KiB
891x301px
Raw
History