This website requires JavaScript.
Explore
Help
Register
Sign In
dj-apendix
/
Div_MMC
Watch
1
Star
0
Fork
0
You've already forked Div_MMC
mirror of
https://github.com/djapendix/Div_MMC.git
synced
2025-11-10 01:05:58 +03:00
Code
Issues
Actions
Packages
Projects
Releases
Wiki
Activity
69ef1033e1
Div_MMC
/
Discrete
/
Alex_Ekb
/
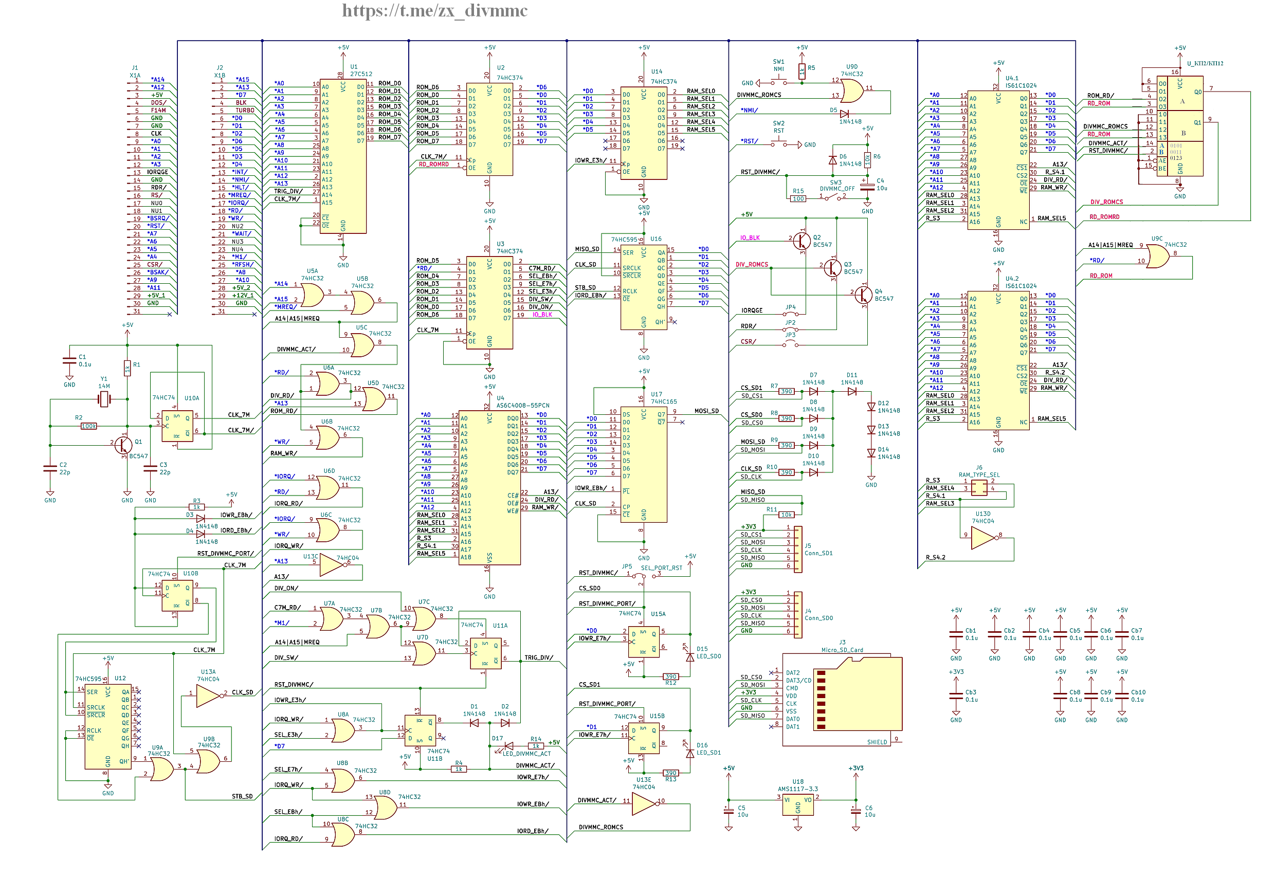
NemoBUS_divmmc_copy_6-.bmp
dj Apendix
81acc26d3c
Add files via upload
2025-06-10 17:11:45 +03:00
12 MiB
2480x1743px
Raw
History