This website requires JavaScript.
Explore
Help
Register
Sign In
dj-apendix
/
Div_MMC_Alex_Ekb_Discrete
Watch
1
Star
1
Fork
0
You've already forked Div_MMC_Alex_Ekb_Discrete
Code
Issues
Pull Requests
Actions
Packages
Projects
Releases
Wiki
Activity
bcf4b23f85
Div_MMC_Alex_Ekb_Discrete
/
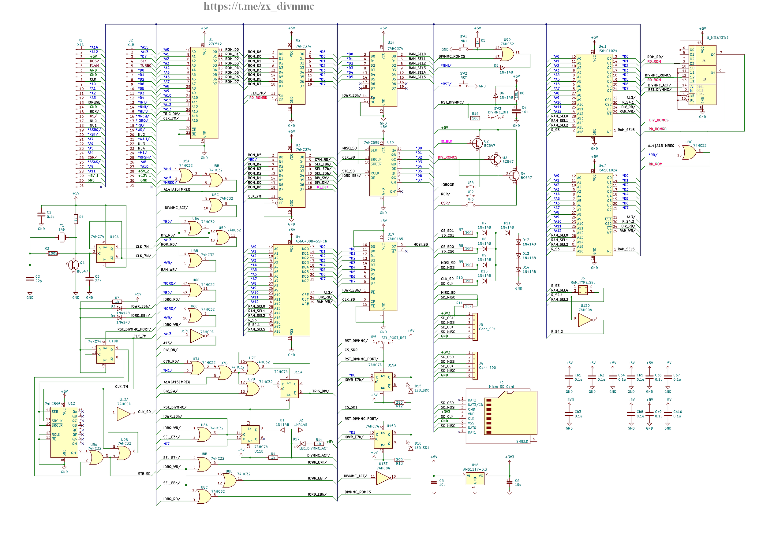
Shematic
/
NemoBUS_divmmc_copy_6-.bmp
Дима
904b0e28be
Загрузить файлы в «Shematic»
...
Shematic DivMMC on Discrete Logic
2025-06-10 15:18:05 +03:00
12 MiB
2480x1743px
Raw
History