This website requires JavaScript.
Explore
Help
Register
Sign In
romych
/
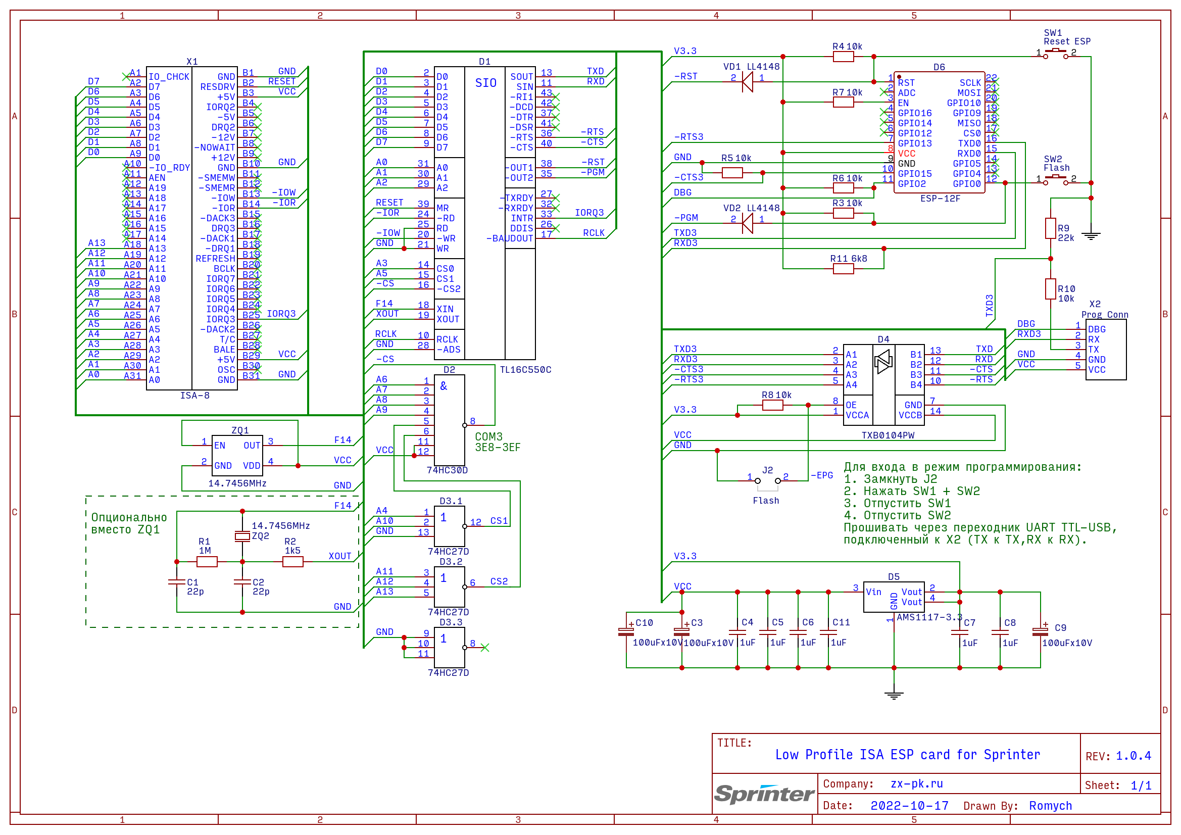
SprinterESP
Watch
1
Star
0
Fork
0
You've already forked SprinterESP
mirror of
https://github.com/romychs/SprinterESP.git
synced
2025-11-01 15:25:59 +03:00
Code
Issues
Actions
Packages
Projects
Releases
Wiki
Activity
064e19c22a
SprinterESP
/
Export
/
Schematic_Sprinter-ESP_v1.0.4.png
Roman Boykov
fc5a00b951
Rev 1.0.4. VCC pin on X2
2023-01-18 10:58:16 +03:00
544 KiB
2338x1653px
Raw
History